

LS 型螺旋输送机是一种先进的无轴螺旋输送设备,由驱动装置、无轴螺旋、U 型槽、耐磨衬、 盖板、电气控制等部分组成,物料由进料斗输入,经旋转的无轴螺旋推动到出料口输出,被广泛 应用于城市污水处理厂,水质净化厂输送格栅除污机打捞上来的栅渣,压榨脱水处理后的泥饼等物料。
详细说明
技术参数
性能特点
1、料槽中间及出料端无轴承架,物料输送流畅,维护简捷;
2、除进料口敞开外,其余部分均加盖封闭,物料不会外泄,减少二次污染;
3、结构紧凑、重量轻、外形美观、轴承持久润滑设计、使用寿命长。
型号说明
型号:LS-320
LS——螺旋输送机
320——无轴螺旋槽直径(mm)
订货说明
1、订货时请注明输送距离、螺旋槽直径、安装角度(常规水平安装)、进料斗数量(常规壹个)、 进出料口尺寸要求、材质要求(常规碳钢)、防腐要求(常规油漆防腐)、电控要求、安装要求。
2、请注明图中尺寸要求。
3、如与其他设备配套使用,请提供输送长度、多个进料斗中心距、进料斗高度。
4、未注明特殊要求,均按本公司常规产品供货。
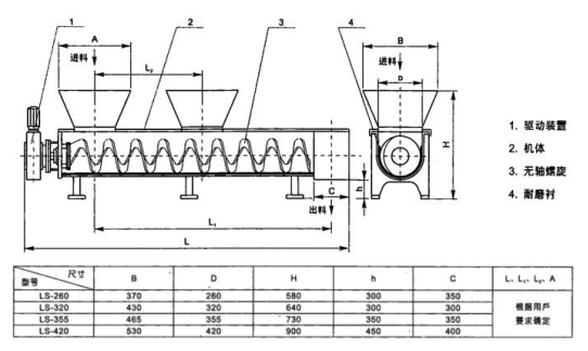
安装尺寸图

| 型号规格 | 输送量 0°(m³/h) | 输送量 15°(m³/h) | 输送量 30°(m³/h) | 推荐输送长度(m) | 安装角度 | 转速(r/min) |
|---|---|---|---|---|---|---|
| LS-260 | 3 | 2.1 | 1.35 | ≤10 | ≤30° | 20 |
| LS-320 | 8 | 5.6 | 3.6 | ≤15 | ||
| LS-355 | 9.5 | 6.7 | 4.3 | ≤20 | ||
| LS-420 | 12.8 | 9 | 5.7 | |||
| 说明 | 1、LS型无轴螺旋输送机,可配置多个进料斗,可根据用户需要定型设计; 2、安装方式灵活多样,水平或倾斜安装,倾斜角度可达30°。 | |||||