

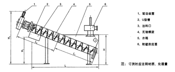
LSF型螺旋砂水分离器主要适用于对污水处理厂沉砂池排出的砂水混合液进行砂水分离,该设备主要由无轴螺旋、U型槽、水箱、附壁效应器及驱动装置等部件组成。LSF型螺旋砂水分离器在动力装置的驱动下,砂水混合液从分离器一端顶部输入水箱,混合液中比重较大的砂粒,杂物等沉降于槽底,在螺旋片的推动下,砂粒沿斜置的U型槽底提高,离开液面后继续推移一段距离,在砂粒脱水后经排砂口卸至集砂箱,与砂粒分离后的水从溢流口排出。
详细说明
技术参数
型号说明

安装尺寸

| 型号参数 | LSF-260 | LSF-320 | LSF-355 | LSF-420 |
|---|---|---|---|---|
| 处理量(l/s) | 12 | 20 | 27 | 35 |
| 电机功率(kw) | 0.25 | 0.37 | 0.55 | 0.75 |
| L(mm) | 3840 | 4380 | 5890 | 6290 |
| 机体最大宽度(mm) | 1170 | 1420 | 1420 | 1720 |
| H(mm) | 1500 | 1700 | 2150 | 2150 |
| H1(mm) | 1550 | 1750 | 2400 | 2550 |
| H2(mm) | 2100 | 2350 | 3050 | 3250 |
| L1(mm) | 3000 | 3000 | 4000 | 4000 |
| L2(mm) | 1000 | 1500 | 2000 | 2500 |