

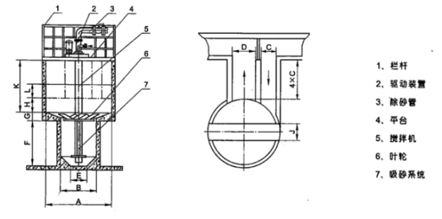
旋流式沉砂池及其除砂设备采用新型的砂水分离工艺,主要应用于给排水工程中去除水中的砂粒及粘附在砂粒上的有机物,可有效地分离直径大于0.2mm的砂粒,该产品主要由驱动装置、搅拌机、除砂管、平台、吸砂系统,电控系统等部分组成。
旋流式沉砂池动力装置驱动倾斜叶轮旋转产生离心力,使水中的砂粒产生附壁效应,沿池周及池底斜坡沉集于池底的砂斗中,同时将砂粒中粘附的有机物分离下来。沉集于砂斗内的砂粒通过气提或砂泵提高至池外,作进一步处理。
详细说明
技术参数


| 型号 | 流量(m³/h) | 功率(kw) | A(m) | B(m) | C(m) | D(m) | E(m) | F(m) | G(m) | H(m) | L(m) | J(m) | K(m) |
|---|---|---|---|---|---|---|---|---|---|---|---|---|---|
| SFX-1.8 | 180 | 0.55 | 1.83 | 1.0 | 0.305 | 0.61 | 0.30 | 1.40 | 0.30 | 0.30 | 0.20 | 0.80 | 1.10 |
| SFX-3.6 | 360 | 2.13 | 0.38 | 0.76 | 1.40 | 0.30 | 0.30 | 0.30 | 1.10 | ||||
| SFX-6 | 600 | 2.43 | 0.45 | 0.90 | 1.45 | 0.40 | 0.30 | 0.40 | 1.15 | ||||
| SFX-10 | 1000 | 0.75 | 3.05 | 0.61 | 1.20 | 1.55 | 0.45 | 0.30 | 0.45 | 1.35 | |||
| SFX-18 | 1800 | 3.65 | 1.5 | 0.75 | 1.50 | 0.40 | 1.70 | 0.60 | 0.51 | 0.58 | 1.45 | ||
| SFX-30 | 3000 | 1.1 | 4.87 | 1.00 | 2.00 | 2.20 | 1.00 | 0.51 | 0.60 | 1.85 | |||
| SFX-46 | 4600 | 5.48 | 1.10 | 2.20 | 2.20 | 1.00 | 0.61 | 0.63 | 1.85 | ||||
| SFX-60 | 6000 | 1.5 | 5.80 | 1.20 | 2.40 | 2.50 | 1.30 | 0.75 | 0.70 | 1.95 | |||
| SFX-78 | 7800 | 2.2 | 6.10 | 1.20 | 2.40 | 2.50 | 1.30 | 0.89 | 0.75 | 1.95 |